1310nm(O波段)半导体光放大器(SOA)系列产品,主要应用于40G/100G 1310nm(4波LWDM/CWDM)光放大。支持温度监测和TEC热电控制,全温度工作范围稳定运行。定制化服务:可支持保偏、集成隔离器、集成PD光功率监控等更高集成度的器件订制。
单模版本
保偏版本
品牌:Bonphot
|
参数 |
符号 |
工作条件 |
最小值 |
典型值 |
最大值 |
单位 |
|
工作波长 |
λ |
T=25℃ |
1260 |
1300 |
1340 |
nm |
|
带宽 |
Δλ |
@-3dB |
60 |
- |
- |
nm |
|
小信号增益 |
G |
If=120mA Pin=-25dBm |
20 |
- |
- |
dB |
|
饱和光功率 |
Psat |
If=120mA |
10 |
- |
- |
dBm |
|
饱和光功率(保偏) |
Psat |
If=120mA |
`0 |
- |
- |
dBm |
|
偏振消光比(保偏) |
Per |
- |
20 |
- |
- |
dB |
|
工作电流 |
If |
- |
- |
120 |
200 |
mA |
|
正向电压 |
Vf |
- |
- |
- |
1.8 |
V |
|
TEC电流 |
ITEC |
- |
- |
- |
1.8 |
A |
|
TEC电压 |
VTEC |
- |
- |
- |
3.4 |
V |
|
偏振相关增益 |
PDG |
- |
- |
1 |
2 |
dB |
|
噪声系数 |
NF |
- |
- |
7.5 |
- |
dB |
|
热敏电阻阻值 |
Rtherm |
T=25℃ |
9.5 |
10 |
10.5 |
KΩ |
|
热敏电阻电流 |
Itherm |
- |
- |
- |
5 |
mA |
|
气密性 |
|
T=25℃ |
1*10-12 |
1*10-11 |
1*10-8 |
Pa.m3/s。 |
|
工作温度 |
TC |
I=Iop |
-10 |
- |
70 |
℃ |
|
存储温度 |
Tstg |
- |
-40 |
- |
85 |
℃ |
|
总功耗 |
P |
- |
- |
- |
4 |
W |
备注 1:气密性数值为管壳封装数值,排除管壳外部残留干扰测试得出。
|
典型特性 |
|
|
|
|
|
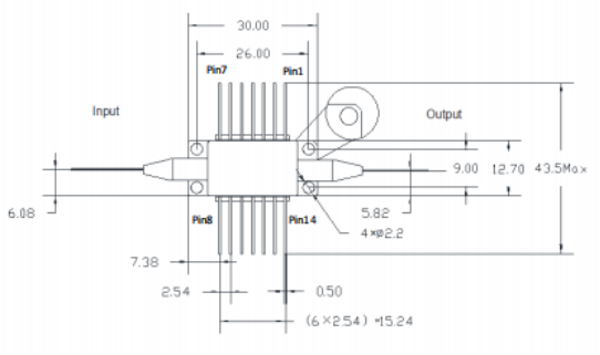
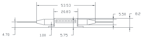
结构尺寸和管脚定义 |
|
|
|
|
|
|
|
|
订货信息 |
产品描述 |
|
SOA-1310-10-G20-SM-FA |
1310nm波段-10dBm饱和输出功率20dB增益-蝶形封装-单模光纤-FC/APC接头 |
|
SOA-1310-10-G20-PM-FA |
1310nm波段-10dBm饱和输出功率20dB增益-蝶形封装-保偏光纤-FC/APC接头 |
